Product Description
The Complete Shower Mixer from the 8A8018 series is a fully concealed thermostatic shower solution designed for modern bathrooms requiring precise temperature control, clean wall aesthetics, and multi-functional water delivery. Its large flat-front panel gives a structured architectural look, allowing the control layout to remain intuitive while maintaining a minimalist style. Once installed, users interact with a smooth three-button switching system and a central thermostatic dial engineered to deliver stable temperature even under fluctuating household pressure.
The experience it provides emphasizes consistency, comfort, and ease of use. The overhead rain shower produces uniform coverage ideal for full-body rinsing, while the handheld spray allows controlled operation for targeted cleaning. Temperature shifts are minimized by a high-accuracy thermostatic cartridge, giving users steady, safe water conditions throughout the showering process. The overall system creates a balanced showering environment suitable for everyday use as well as premium residential bathrooms that require reliability and refined control.
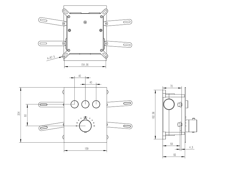
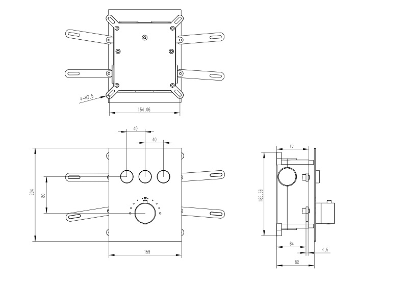
Gravity Fed Thermostatic Mixer Shower Parameter

Gravity Fed Thermostatic Mixer Shower Features
① Thermostatic Stability
The mixer uses a precision Vernet thermostatic cartridge designed to maintain temperature deviations within approximately ±1°C under standard household pressure changes. This stability reduces the risk of sudden temperature spikes and supports anti-scald protection for frequent users including children and seniors. The internal brass valve body is pressure-tested to meet durability standards above 1.0 MPa, ensuring consistent operation in varied plumbing environments.
② Multi-Outlet Switching
The system integrates NEOPERL mechanical control components, enabling accurate three-function water switching. The switching mechanism is engineered with a rotation torque tolerance between 1.2–1.8 Nm, ensuring smooth transitions between overhead spray, handheld spray, and a third water outlet option such as tub spout or cascade. The internal flow passages are arranged to minimize pressure loss, keeping flow efficiency above 90 percent.
③ High-Coverage Overhead Spray
The overhead shower head uses a 400 mm spray plate with optimized nozzle geometry. Combined with a 315×208 mm water distribution module, the rain spray achieves uniform droplet density across the surface area, supporting flow rates between 8–12 L per minute depending on line pressure. This ensures broader shoulder-to-shoulder coverage suitable for full-body rinsing routines.
④ Enhanced Durability Hose System
The handheld shower hose is produced using reinforced PVC with multi-layer tensile weaving designed to withstand tensile loads exceeding 35 kg. The hose resists twisting and surface wear caused by repeated stretching or rotation. Internal corrosion-resistant lining prevents degradation from hard-water minerals, ensuring longer-term reliability in daily use.
⑤ Adjustable Spout or Holder Angle
The brass wall outlet and adjustable arm or spout component allow controlled angle variation up to approximately 30 degrees depending on installation configuration. This adjustability supports different user heights, preferred water directions, and ergonomic needs during handheld operation. The brass structure undergoes surface integrity testing for coating adhesion and meets salt-spray corrosion resistance above 48 hours for long-term appearance retention.

Gravity Fed Thermostatic Mixer Shower Application
① Residential Bathrooms
The Complete Shower Mixer is ideal for residential settings that require stable water temperature for family use. Its thermostatic regulation minimizes temperature shock during peak water usage hours, improving the shower experience in multi-user households. The three-function configuration suits both large and compact bathrooms by allowing users to alternate between gentle rain flow and focused handheld operation.
② Boutique Hotels
High-end hotels benefit from its concealed installation and clean panel appearance, contributing to a sophisticated bathroom atmosphere. The rain shower’s large coverage area enhances the premium bathing experience expected by hotel guests. In addition, the reliability of multi-outlet switching reduces maintenance disruptions and improves guest satisfaction ratings.
③ Serviced Apartments
For long-stay apartments, the mixer provides a user-friendly interface that requires minimal explanation for new tenants. The thermostatic dial ensures repeatable temperature settings, reducing water waste from manual adjustments. Its durability makes it suitable for high-frequency usage without requiring frequent valve servicing.
④ Renovation Projects
The mixer’s concealed structure fits well in renovation projects where homeowners aim to upgrade from older dual-knob or pressure-balanced systems. Its installation depth options and stable panel dimensions support integration into various wall constructions, enabling designers to modernize shower spaces without increasing system complexity.
⑤ Luxury Residential Developments
Developers targeting the luxury market can rely on the oversized overhead spray and high-grade finishing options to elevate property value. The consistent water distribution enhances the feeling of comfort and supports the wellness-oriented features commonly marketed in upscale residences.
⑥ Multi-Bathroom Homes
In homes with several bathrooms connected to shared plumbing, the thermostatic cartridge and controlled flow pathways reduce the effects of simultaneous water usage. This ensures the primary shower remains stable even when water is used in other areas of the home, improving daily usability across varied household conditions.
⑦ Accessible or Elderly-Focused Bathrooms
Its anti-scald safety and simple switching layout provide enhanced usability for seniors or users with reduced dexterity. The handheld spray enables easier assisted bathing routines, while consistent temperature stability reduces risk for individuals sensitive to sudden water changes. This makes the product suitable for barrier-free or semi-assisted bathroom designs.
More Details about Gravity Fed Thermostatic Mixer Shower




